Home
Radio's
  NSF
    Ontvanger ± 1920
    M3
    M4
    4
    Hilversum 3 (S3010)
    Hilversum 5
    H54U
Luidsprekers
Diversen
Buizen
Nostalgie
Links
Te koop

 
Vierlamps radio-ontvangtoestel op wisselstroom, voor middengolf en lange golf.
Kast van Slavonisch eikenhout, metalen binnenkast. Het toestel verscheen in hetzelfde jaar als de Philips toestellen 2531 en 2534. Van deze toestellen werden flinke aantallen verkocht. Van de Hilversum 3 werden er waarschijnlijk hooguit 3000 verkocht.
Deze radio werd voor het eerst afgezet via het verkoopnetwerk van Philips. In de zomer van 1930 werden de verkoopafdelingen van Philips Eindhoven en van NSF Hilversum samengevoegd. Dit leidde tot het ontslag van 65 kantoormedewerkers van NSF.
De knoppen op het front, van links naar rechts: volume, primaire afstemming, secondaire afstemming, terugkoppeling. De golflengteschakelaar wordt aan de rechterzijde bediend door middel van een sleutel. Hiermee kan het toestel ook wordt uitgezet.
De oorspronkelijke prijs was f 195,-.
Gegevens  
Serienummer: 1433
Afmetingen (b×h×d): 38 × 19 × 31 cm
Bouwjaar: 1930
Aangeschaft in: 2008
 
Buizen  
Klik op een buis voor meer informatie

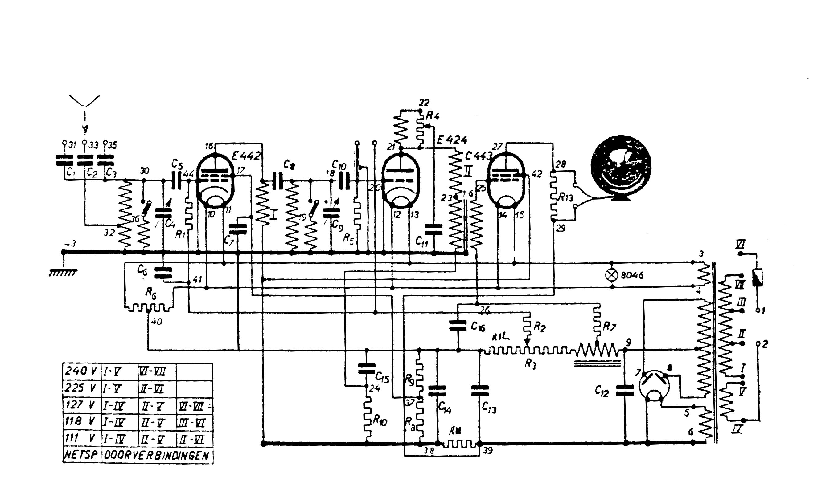
Schema
Gebruiksaanwijzing

Wat werd er in 1930 uitgezonden?

 

Luister naar "Somebody loves me" door het orkest van Fletcher Henderson met Rex Stewart (cnt), Russell Smith, Bobby Stark (tp), Jimmy Harrison, Claude Jones (tb), Benny Carter (cl as), Harvey Boone (as), Coleman Hawkins (ts), Fletcher Henderson (p), Clarence Holiday (bj g), John Kirby (b tu), Walter Johnson (d).
Opgenomen in New York op 3 oktober 1930

Een blik door het geopende buizenluikje aan de bovenzijde van het toestel
De onderzijde van het toestel (datumstempel op een van de condensatorblokken: 16 september 1930)
De bovenzijde van de metalen binnenkast met het NSF logo en de naam van de radio

Originele sleutel voor de bediening van het toestel (kort/lang/uit)

Typeplaatje

Advertentie in Twentsch Dagblad Tubantia, 19 februari 1931

Deze pagina is voor het laatst bijgewerkt op zondag 20 september 2020