Home
Radios
  NSF
    Receiver ± 1920
    M3
    M4
    4
    S3010 (H3)
    Hilversum 5
    H54U
Loudspeakers
Other items
Valves
Nostalgia
Links
For sale

 
Four valve radio for reception of medium and long wave
The oak cabinet with doors opened. Control panel from left to right: primary tuning, volume control, feedback, secondary tuning. Below: on/off and wave-range selector. A special cabinet that houses the batteries or battery eliminator could be ordered with the radio. Brandsteder in Amsterdam also made a cabinet for this radio, as can be seen here.
Data  
Cabinet number: 5018
Number on chassis: 1579
Dimensions (w×h×d): 54 × 30 × 32.5 cm
Made in: 1927
Purchased in: 2005
Valves  
Click on a valve for more information

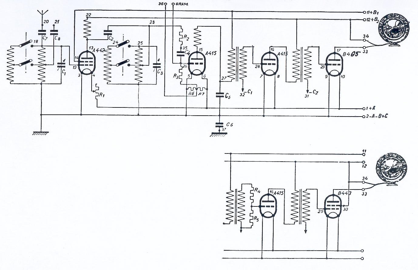
Circuit
  User manual (in Dutch)

What was broadcast in 1927?

 

Listen to "Dies Bildnis ist bezaubernd schön" from the opera "Die Zauberflöte" by Mozart, sung by the Hungarian tenor Koloman von Pataky, recorded in 1927

The NSF 4 with oak cabinet
The cabinet was made in oak or mahogany. The price was f 55,-
The closed cabinet
Interior with four valves (B405, A415, A415, A442)

Type plate with logo of the Nederlandsche Seintoestellen Fabriek with serial number: 5018. This numer is not the same as the number on the chassis: 1579

Original advertising litho

Advertisements for the NSF4

Advertising leaflet for the NSF4, about 1928

Assembling the NSF4 in 1927

The AC version of the NSF4 with 2504 valve for negative grid bias (1929)

The type plate with the logo of the Nederlandsche Seintoestellen Fabriek and the serial number: 17499. The number on the cabinet matches the one on chassis, under the right tuning condenser (sometime chassis move to another cabinet...).

Data
Cabinet number: 17499
Chassis number: 17499
Dimensions (w x h x d): 54 x 30 x 32.5 cm
Made in: 1929
Given to me in: 2026
Valves  
Click on a valve for more information

Circuits and parts
 

This page was last edited on 08.12.2020