Home
Radio's
  Zelfbouw/Onbekend
    Crystal receiver with coil
    Koomans ontvanger
    Engelse zelfbouwradio
    Belgische superheterodyne
    Varadyne
    Duitse Eenkringer
Luidsprekers
Diversen
Buizen
Nostalgie
Links
Te koop

 
Superheterodyne batterijontvanger
Gemaakt in 1927-1928, waarschijnlijk in een kleine Waalse fabriek of werkplaats. Alle aansluitingen bevinden zich aan de voorzijde: links de aansluiting voor een raamantenne, in het midden aansluitpunten voor de werkspanningen, 4V, 40V en 80V, rechts aansluitingen voor luidspreker en koptelefoon. De symmetrie is perfect doorgevoerd.
Gegevens Buizen   Schema  
Serienummer Geen
Afmetingen (h×b×d) 29,5 × 61,5 × 30 cm
Bouwjaar 1927-1928
Aangeschaft in 2007
Verkocht in: 2021
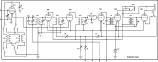
Klik op een buis voor meer informatie Klik op het schema om het te vergroten

Wat werd er in 1927 uitgezonden?

 

Luister naar "Blue Skies" gezongen door Josephine Baker, opgenomen op 12 januari 1927

Binnenzijde.
Buizen van links naar rechts: mengbuis, twee m.f. buizen, detector en twee l.f. buizen. Wat opvalt zijn de drie regelbare m.f. kringen. Oscillatorspoelen zijn van het merk Belga, condensatoren en weerstanden van Alter, Mikado en Wireless. De transformatoren zijn van Cema en Transfolina (een merknaam van S.B.R., Société Belge Radio-Electrique). Ook de afstemknoppen (met fijnafstemming) zijn van S.B.R.
De Transfolina l.f. transformator type T16A (1 : 2,5)
 
Afstemknop, pagina uit een S.B.R. catalogus van 1928 Knop met origineel doosje

Deze pagina is voor het laatst bijgewerkt op dinsdag 06 september 2022