Home
Radio's
  Marconi
    Marconiphone V2A
Luidsprekers
Diversen
Buizen
Nostalgie
Links
Te koop

 
Tweelamps rechtuit reflexontvanger voor batterijvoeding
Type R.B.I.B Long Range Model. M.19, gebouwd in door Marconi's Wireless Telegraph Co, Ltd. (het chassis van de vroegste modellen werd gemaakt door Plessey, Holloway, London). De kast is van mahoniehout en is voorzien van een aantal tranfers, zoals het Marconi-logo op het deksel en de BBC en GPO licenties aan de binnenzijde.
Aan de rechterzijkant zijn aansluitpunten aanwezig voor twee koptelefoons (hoewel de radio ook speelt op een luidspreker) alsmede de aansluitpunten voor de gloeistroom en anodespanning. Links aansluitingen voor antenne en aarde. Naast de rechter buis zit de unit van het terugkoppelcircuit met een instelhendel.
In het oorspronkelijke ontwerp was uitgegaan van "R" helgloeiers die, door de hoge temperaturen die de gloeidraad kon bereiken, nogal gevoelig waren voor slijtage. Daarom werd een reostaat ingebouwd waarmee de gloeistroom kon worden geregeld. Zo werd de levensduur van de dure buizen verlengd. Toen de "D.E.R." (Dull Emitter Receiver) buizen op de markt kwamen bleef de reostaat gehandhaafd. De reostaat wordt bediend door middel van een metalen staafje met een bolle kop, dat aan de linkerzijde van het toestel naar buiten steekt. Wanneer deze geheel is ingedrukt, wordt de gloeistroom uitgeschakeld.
De prijs van de radio was £24, inclusief een bedrag van £1 15s voor de BBC royalty. Daarnaast moest per buis nog eens 12s 6d royalty aan Marconi worden betaald.
Betere luidsprekerontvangst was mogelijk door het aanschaffen van een bijpassende versterker, de A2, die uitkwam in 1924, of de vroegere NB2 die nog uitgerust was met helgloeiers.
Afstemmen
Er is bij deze radio een aantal inplugbare afstemblokken beschikbaar. Deze blokken maken het mogelijk om af te stemmen van 300 tot 2900 meter. Elk blok bevat een tweetal platte spoelen voor afstemming van de antenne en de anode-afstemming van de RF versterker. Twee asjes met knoppen steken aan weerskanten uit de behuizing. Aan de binnenzijde zijn de asjes verbonden met koperen platen. Door aan de afstemknoppen te draaien worden deze platen verschoven ten opzichte van de spoelen en ze beïnvloeden daarmee de afstemming. De onderstaande lijst geeft een idee wat in die tijd kon worden ontvangen door gebruik te maken van de verschillende afstemblokken:
300-390 m Engelse stations
390-530 m Engelse stations
550-700 m scheepvaart
700-900 m luchtvaart
2500-2900 m Parijs
Bij deze ontvanger zitten twee afstemblokken: 390-530 m en 1300-1700 m.
Werking

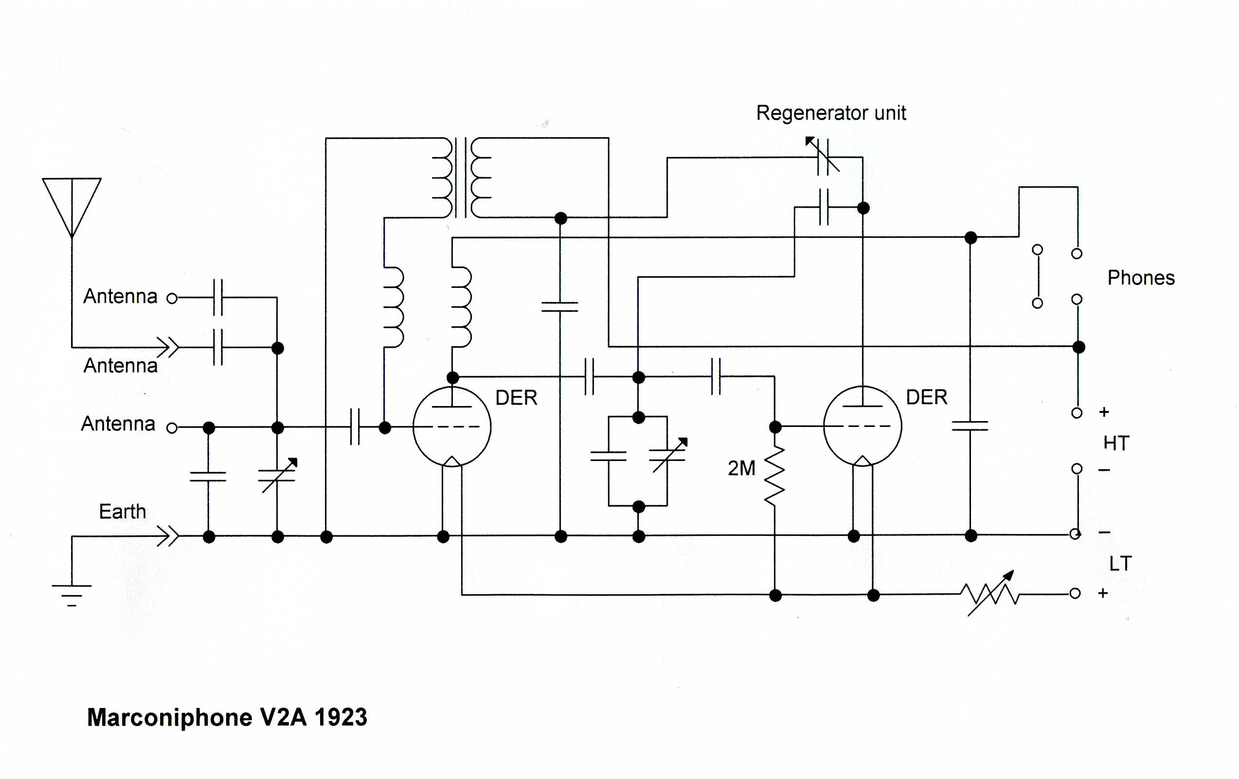
De antenne wordt, afhankelijk van de lengte, aangesloten op een van de antennebussen met de aanduiding “Aerial” 1, 2 of 3. Antennes hebben van nature een capaciteit ten opzichte van aarde. Hoe langer de antenne, hoe groter de eigen capaciteit. Deze staat parallel aan het antenne afstemcircuit en beïnvloedt de afstemfrequentie. Dit circuit moet, ongeacht de lengte van de antenne, steeds in ongeveer hetzelfde frequentiegebied kunnen worden afgestemd. Niet te lange antennes (tot ongeveer 15 meter) worden aangesloten op bus 2. Tussen de antenne en de afstemunit zit dan een koppelcondensator. Langere antennes (tot ongeveer 30 meter) worden aangesloten op bus 1. Deze bus beschikt over een koppelcondensator met een kleinere waarde. Korte antennes gaan naar bus 3; deze is via een condensator aan aarde gelegd. In alle gevallen blijft de antennecapaciteit ongeveer gelijk.

De eerste buis versterkt het HF signaal afkomstig van het antenne afstemcircuit. Het versterkte signaal wordt nogmaals afgestemd en toegevoerd aan de tweede buis die als roosterdetector geschakeld is. Het uitgangssignaal van deze detector bevat zowel het audiosignaal als een gedeelte van de HF draaggolf. Het HF restsignaal wordt via het instelbare terugkoppelcircuit (Regenerator Unit) teruggevoerd naar het rooster van de detector. De stand van de hendel op de terugkoppelunit bepaalt hierbij de mate van terugkoppeling en dus de versterking en selectiviteit.
Het audiosignaal afkomstig van de detector gaat via de LF transformator en een HF smoorspoel naar het rooster van de eerste buis. Hier wordt het signaal opnieuw versterkt en vervolgens via een tweede HF smoorspoel naar de koptelefoon gevoerd.
Gegevens Buizen  
Serienummer: 7855
Afmetingen (h×b×d): 27 × 32 × 18,5 cm
Bouwjaar: 1923
Aangeschaft in: 2008
Voltages: 1,8 / 45 V
   

Klik op een buis voor meer informatie

Schema

Wat werd er in 1923 uitgezonden?

 

Luister naar "You'll Hear Me Calling Yoo Hoo" door het Engelse orkest van Jack Derrick, opgenomen op 3 februari 1923

Vooraanzicht
Aan de voorzijde van de kast zit een los paneeltje met twee kijkgaatjes, waardoor de gloeidraden van de beide Osram D.E.R. (Dull Emitter Receiver) buizen zichtbaar zijn. Het paneeltje eronder is door het losmaken van twee schroeven te verwijderen; daarachter is plaats voor de batterijen.
De aansluitingen voor antenne en aarde. De aansluitpunten voor koptelefoons, rechts de aansluitpunten voor de gloeistroom en anodespanning.
"Dull emitters" geven in de avond nog een flinke hoeveelheid licht...
Advertentie voor de Marconiphone V2
Advertentie in Modern Wireless van augustus 1923

Twee foto's van een Marconiphone V2 met Sterling luidspreker.

Deze pagina is voor het laatst bijgewerkt op woensdag 18 augustus 2021