Superheterodyne ontvanger met refexschakeling

Houten kast, notenhout en eikenhout gefineerd, met bakelieten rand rond de zenderschaal en bakelieten knoppen. De radio heeft twee golfbereiken: midden- en lange golf, automatische volumeregeling en een bekrachtigde elektrodynamische luidspreker. Het ontwerp van de kast is van Otto van Tussenbroek.

De radio heeft nog het originele Erres luidsprekerdoek; het ondoorzichtig geworden celluloid voor de stationsschaal is vervangen.
Aan de achterzijde kunnen, behalve de antenne en de aarde, een grammofoon en een extra luidspreker worden aangesloten.
De in dit toestel gebruikte reflexschakeling geeft problemen bij de ontvangst van sterkere zenders. Bij een wat groter antennesignaal raakt de m.f./l.f. buis (E444) al snel overstuurd, waarbij anodedetectie optreedt. Het op deze manier gedetecteerde signaal komt rechtstreeks op het stuurrooster van de eindbuis terecht, waardoor de volumeregelaar niet meer lijkt te werken. Ook de AVR presteert onder deze omstandigheden onvoldoende. De AVR werkt bovendien alleen op de mengbuis (AK2), wat de situatie verder verslechtert.
Dit probleem kan alleen worden voorkomen door bij de ontvangst van een sterkere zender een antenneverzwakker te gebruiken, of door de antenne in te korten. Indertijd zal dit probleem ook hebben bestaan, maar het zal minder ernstig zijn geweest. Dit omdat de zenders niet zo krachtig waren als tegenwoordig, en er bovendien veel minder diep werd gemoduleerd.
De oorspronkelijke prijs was f 119,-
Gegevens buizen  
Serienummer: 2904
Seriegrootte: ± 3100
Afmetingen: 34 × 45 × 23 cm
Bouwjaar: ± 1935
Aangeschaft in: 2005
Verkocht in: 2023
Klik op een buis voor meer informatie

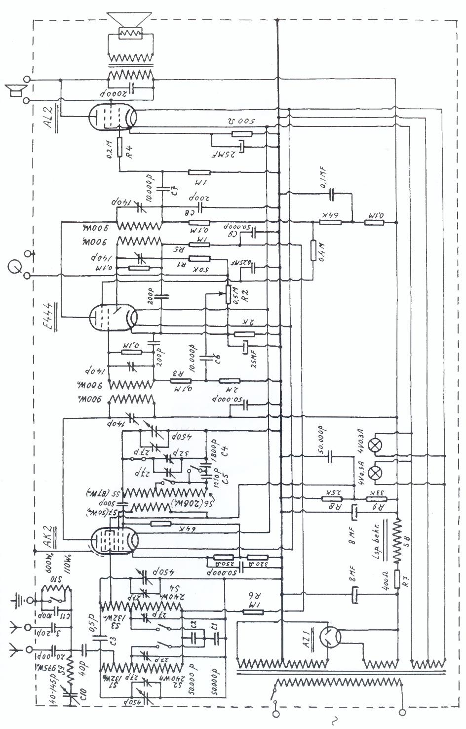
Schema

Wat werd in 1935 uitgezonden?

 

Luister naar "I wish I were twins" door Coleman Hawkins en Dansorkest The Ramblers, opgenomen in de Pulchri Studio, Den Haag, 4 februari 1935

Achterzijde
Advertentie in De Graafschap-bode, 23 november 1935

Deze pagina is voor het laatst bijgewerkt op maandag 27 november 2023