Driekings ontvanger
Vijflamps radio voor wisselstroom en ontvangst van de middengolf en de lange golf. In donkerbruin gebeitst eikenhouten meubeltje met bakelieten knoppen, zwarte, metalen vensterrand om de afstemschaal en versierd met cirkelsegmenten. Met ingebouwde elektrodynamische luidspreker. Ontwerp van Otto van Tussenbroek. Gebouwd door Van der Heem & Bloemsma, Den Haag.
Het toestel werd geïntroduceerd op de Utrechtse Najaarsbeurs in september 1932.
De knoppen van links naar rechts: volume en golflengteschakelaar, afstemming, aan/uit en toonregeling.
De gelijkstroomversie is de KY119 (zie foto onderaan).
De kast werd gedeeltelijk gerenoveerd in het atelier van meubelrestaurateur Ruben Spelbos in Utrecht.
De oorspronkelijke prijs was fl 220,-. De radio werd door Stokvis-Radio in België verkocht onder de naam "Mervo". Prijs: BFr 3850,-
Gegevens Buizen  
Serienummer: 70342
Chassisnummer: 001899
Seriegrootte: ± 800
Afmetingen (h×b×d): 90,3 × 45 × 25,3 cm
Bouwjaar: 1932/1933
Aangeschaft in: 2007
Voltage: 220 V
   

Klik op een buis voor meer informatie

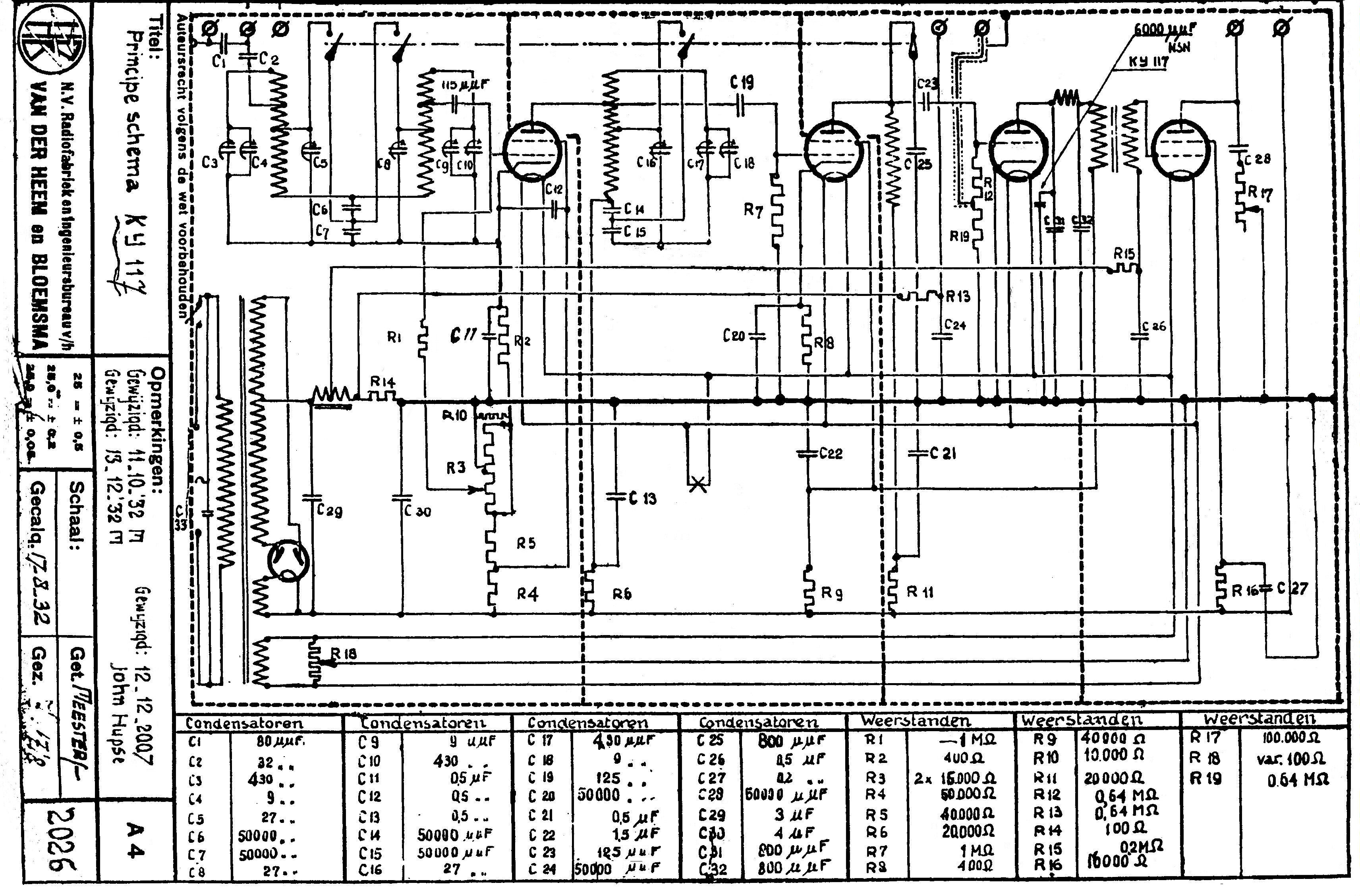
Schema

Wat werd in 1932 uitgezonden?

 

Luister naar "Black Heaven", door The Ramblers Dance Orchestra, opgenomen in Chenil Gallaries, Londen, op 8 november 1932

Achterzijde
Chassis
Onderzijde chassis
Het chassis zag er op het eerste gezicht ongerept uit. Helaas bleek de Philips drievoudige afstemcondensator stuk te zijn. Ook bleek een aantal weerstanden en een condensator te zijn weggeknipt. De condensatoren in de beide condensatorblikken waren allemaal lek en zijn inmiddels vervangen.
De elektrodynamische luidspreker
Een Philips 2158. Doorsnede 21,5 cm.
Gelijkstroomversie: de KY119 (met dank aan Frans J.J. Driessens)
Aankondiging van de Erres KY117 in Radio Expres van 9 september 1932
  Reclame voor de Erres KY117 in Radio Expres van 24 oktober 1932
De Erres KY117 op een promotiefoto uit 1932

Deze pagina is voor het laatst bijgewerkt op zondag 27 september 2020