Drielamps (+ gelijkrichter) wisselstroom ontvanger
In eikenhouten kastje met bakelieten knoppen en zwart aluminium front. Ontwerp van Otto van Tussenbroek; deze radio is zijn eerste ontwerp voor Erres. Het toestel is gemaakt bij Van der Heem & Bloemsma in Den Haag. Links en rechts op het front bevinden zich de knoppen voor primaire en secondaire afstemming, in het midden zit de terugkoppeling. Daaronder twee druk/trek schakelaars voor het omschakelen van het golflengtebereik. In de linker zijkant is een volumeregelaar aangebracht.
Het toestel werd kort beschreven in Radio Expres van 13 september 1929. De naam van de ontwerper werd verbasterd tot "Otto van Sussenbroek".
De eerste versies hadden geen volumeregeling en maar één antennebus. Dit is een iets latere versie van het toestel met volumeregeling en twee antennebussen. Nog latere modellen hebben ook een h.f. tussenschotje.
Het toestel kwam in 1929 op de markt; het werd samen met de KY104 en de radio-grammofoon-toestellen 203 en 204 getoond op de Najaarsbeurs die van 3 t/m 12 september in Utrecht werd gehouden. De radio kostte 230 gulden.
Gegevens Buizen  
Serienummer: 18611
Seriegrootte: ± 700
Afmetingen (h×b×d): 25 × 44 × 22 cm
Bouwjaar: 1929
Aangeschaft in: 2011
Voltage: 220 volt ~
   

Klik op een buis voor meer informatie

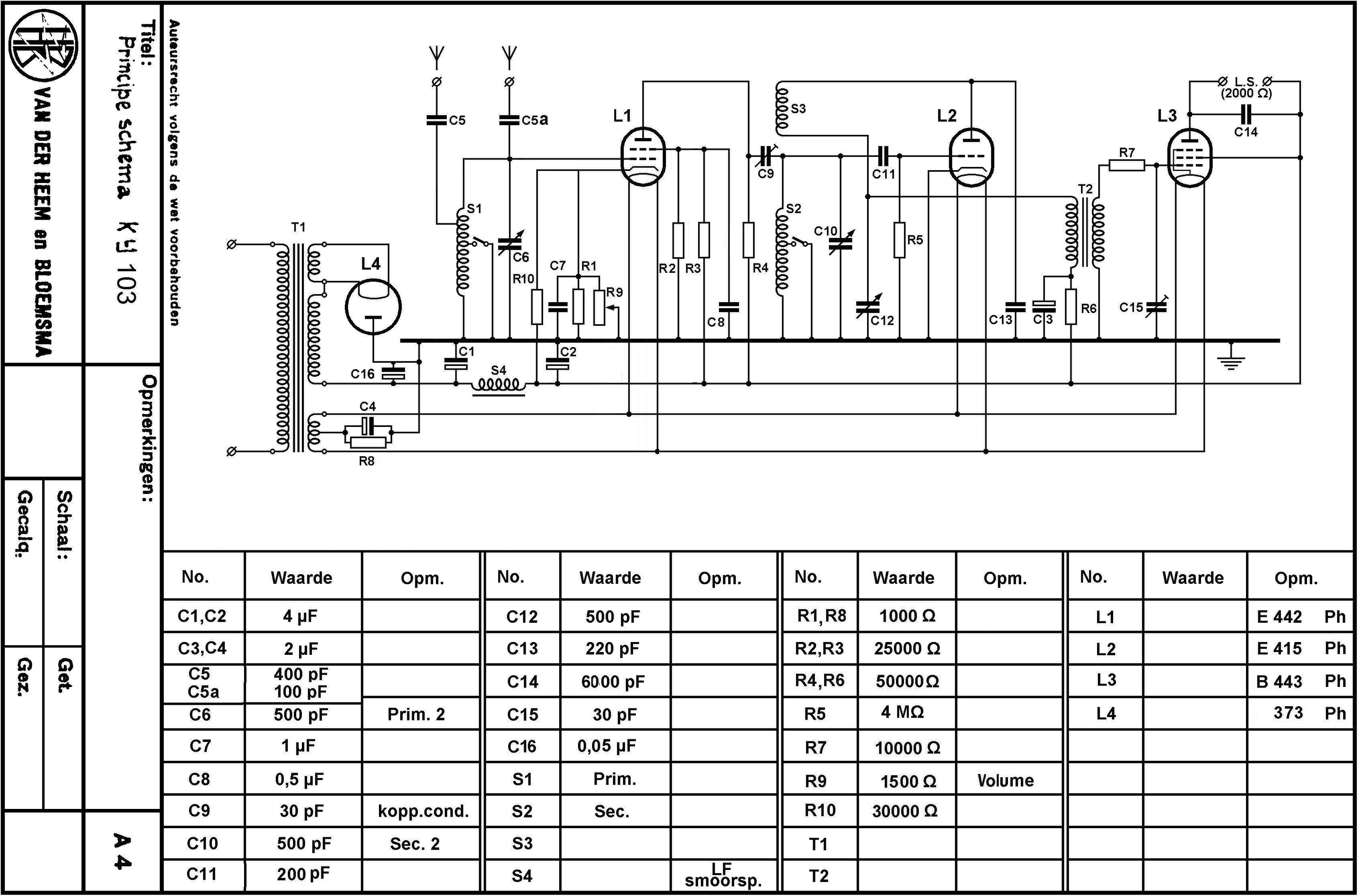
Schema

Wat werd in 1929 uitgezonden?

 

Luister naar "Hallo, mannetje van de radio", gezongen door Kees Pruis en Stella Seemer, opgenomen in 1929

Achterzijde met gesloten achterwand. De achterwand werd opnieuw gemaakt van oud eiken door meubelrestaurateur Ruben Spelbos
Achterzijde met geopende achterwand.
De onderzijde van het chassis
De montagehal van Van der Heem in de Stortenbekerstraat. Men is bezig met de assemblage van de KY103
Advertentie voor de Erres KY103 uit de AVRO Bode van 29 september 1929...

... en in Algemeen Handelsblad van 10 januari 1930

Deze pagina is voor het laatst bijgewerkt op zaterdag 27 april 2019