Drielamps (+ gelijkrichter) wisselstroom ontvanger
In eikenhouten kastje met bakelieten knoppen en gezwarte houten pootjes. Het toestel is gemaakt bij Van der Heem & Bloemsma in Den Haag.  Links en midden op het front bevinden zich de knoppen voor primaire en secondaire afstemming, rechts zit de terugkoppeling. Daaronder twee druk/trek schakelaars voor het omschakelen van het golflengtebereik.
Het metalen model van deze radio werd geïntroduceerd op de Jaarbeurs, die van 4-13 september 1928 werd gehouden in Utrecht; in 1929, kort voor het begin van de Utrechtse Voorjaarsbeurs (19 t/m 28 februari), werd de radio ook uitgebracht met een houten kast. Als luidspreker werd voor beide modellen een Sterling 75 aanbevolen.
Het houten model werd besproken in Radio Expres van 22 februari 1929 (hiernaast). De metalen versie bleef ook leverbaar. De oorspronkelijke prijs was f 215,- voor de metalen versie en f 225,- voor het houten model.
De metalen versie van de Erres KY. De ombouw is van metaal, de beide zijpanelen zijn van hout. De kleine aan/uit knop tussen de twee grotere is niet origineel.
Gegevens Buizen  
Serienummer:  
Seriegrootte: ± 900
Afmetingen (h×b×d): 24,5 × 52 × 26,5 cm
Bouwjaar: 1929
Aangeschaft in: 2011
Voltage: 220 volt ~
   

Klik op een buis voor meer informatie

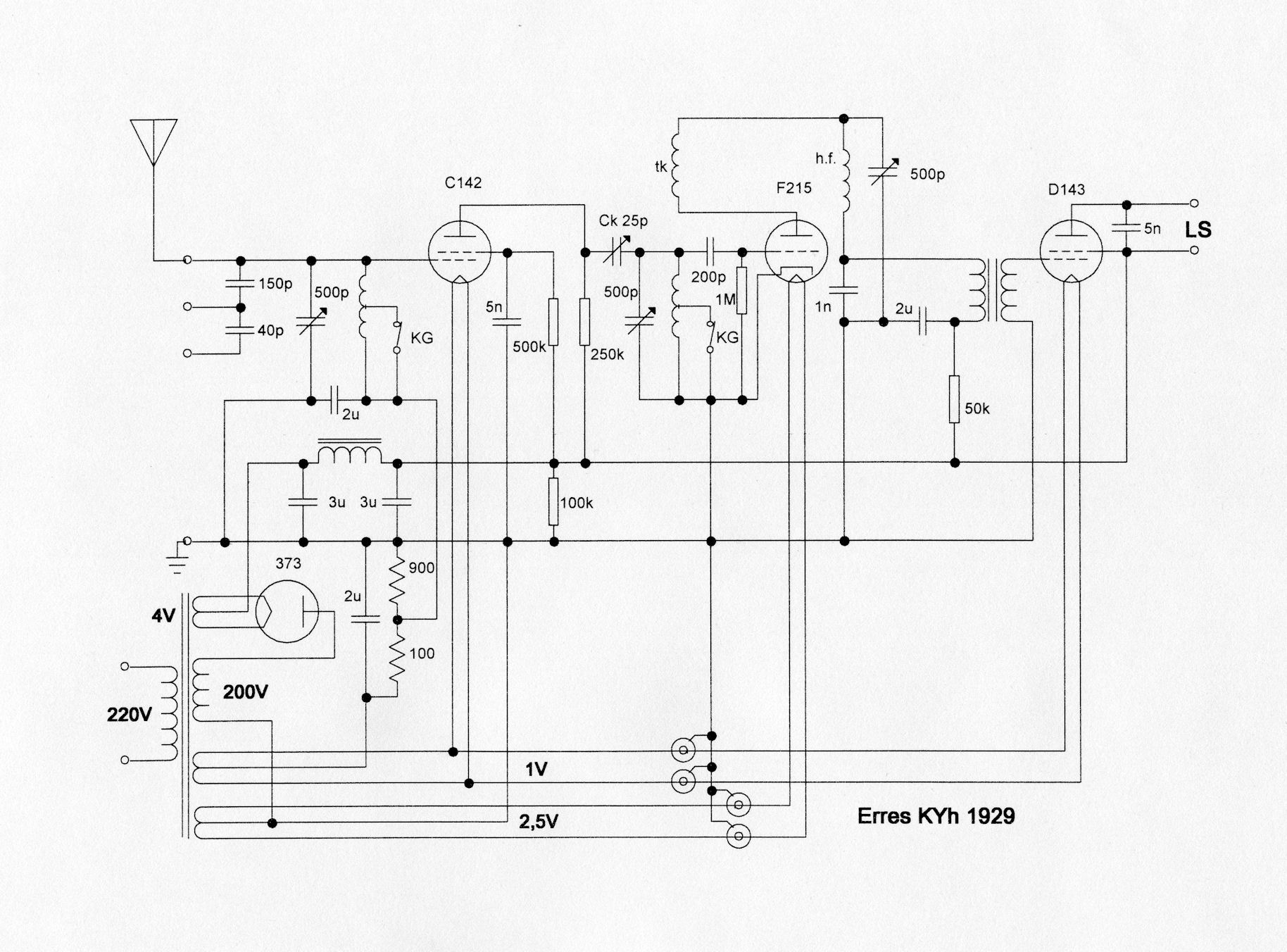
Schema

Wat werd in 1929 uitgezonden?

 

Luister naar "Singing in the Rain", door Pete Mandell and his Orchestra, opgenomen op 14 november 1929

Achterzijde, gesloten
Achterzijde
De onderzijde van het chassis
Links de Erres voedingstransformator en de Erres smoorspoel, bovenaan de beide Waldorp push-pull schakelaars, rechts de koppeltransformator, de Erres Junior. De antennecondensatoren zijn van Pilot Igranic, de glascondensatoren en de roosterlekweerstand van de detector zijn van Loewe; de overige weerstanden van Dralowid. De draden van de gloeistroom zijn afgeschermd met een loodkabel.

Erres KY Schakelschema, getekend op 14 augustus 1928

Erres KY Opstelling onderdelen, getekend op 10 augustus 1928
Reclame voor de Erres KY in dagblad Het Centrum van 15 februari 1929... ...en in het AVRO programmablad van 26 april 1929

Deze pagina is voor het laatst bijgewerkt op zaterdag 27 april 2019