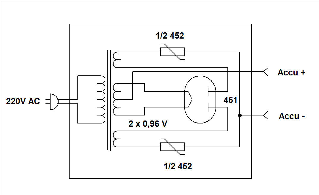
Acculader
Gelijkrichter voor het laden van 1-3 accucellen. Ingangsspanning 220 volt. Aanbevolen buizen: Philips 451 en 452. Weco begon in december 1927 met de fabricage van plaatstroomapparaten en accugelijkrichters.
Gegevens                               Buizen
Serienummer: 283
Bouwjaar: ± 1928
Aangeschaft in: 2013
Schema 1
  Schema 2
Zijaanzicht

Deze pagina is voor het laatst bijgewerkt op maandag 29 april 2019