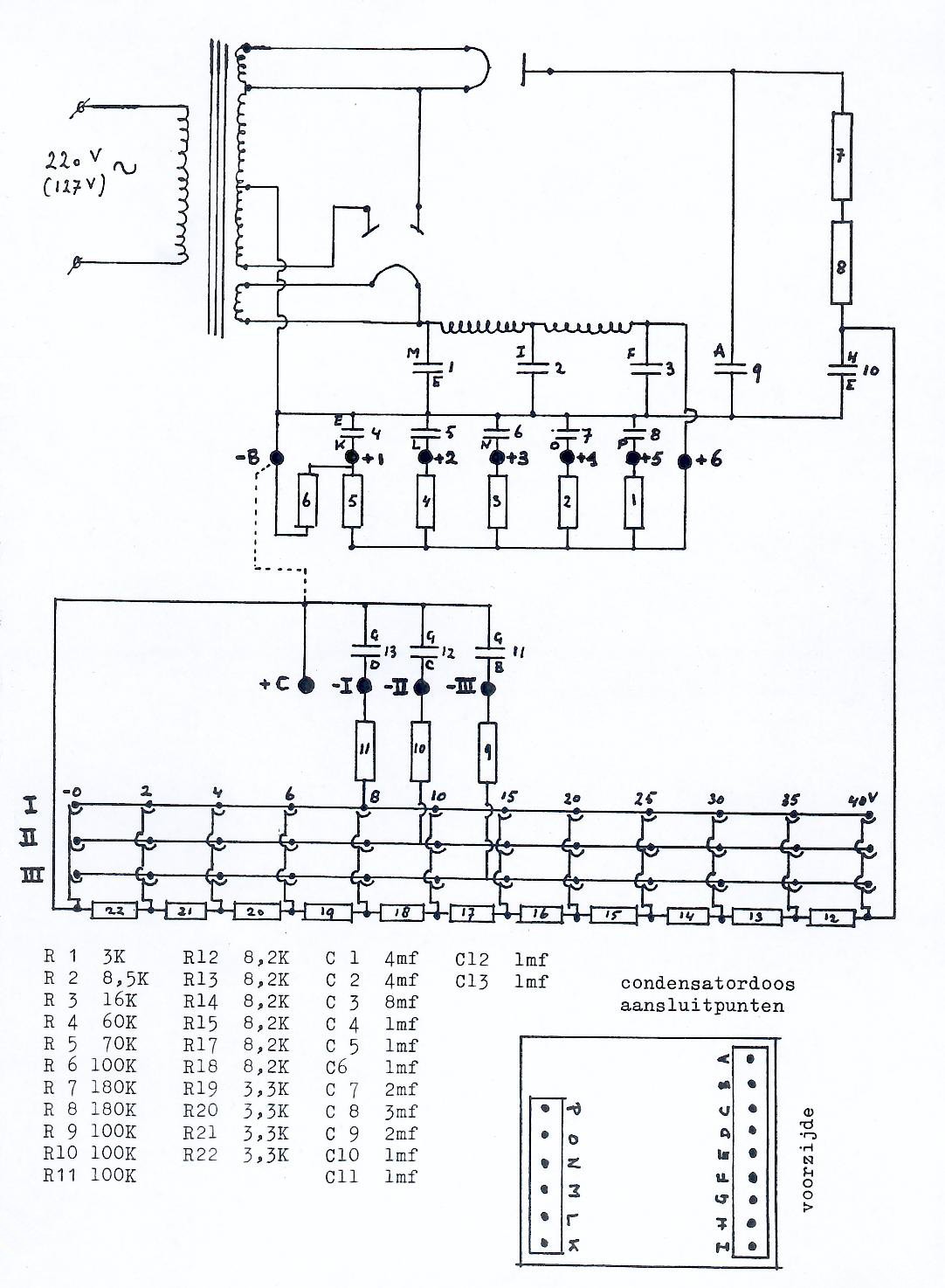
Radio Battery Eliminator (High tension supply unit)
Introduced in 1928. The 3003 can provide six different anode voltages and also three ranges of grid bias voltages that can be adjusted in steps between 0 and -40 Volts.
The 3003 had incorrect tubes, one open resistor and a short circuit capacitor. It is now in working condition. The special plugs, needed to choose the right grid bias voltages are still missing, but can be replaced by standard banana plugs.
Data Valves  
   
Serial number: Personeel 20679
Dimensions: 16 x 18 x 23 cm
Made in: ± 1928
Purchased in: 2005
Sold in 2023
   
Click on a valve for more information
Circuit

 

Valves (Philips 506 and Philips 3006)
Back
Advertisement for the Philips 3002 and 3003 battery eliminators in Radio Expres, May 16th, 1928 Article in newspaper NRC, March 15th, 1928

This page was last edited on 02.07.2023